上海國特閥門SRB籃式過濾器的結構主要包括連接管道、桶體、濾籃、法蘭、法蘭蓋和緊固件等。也被叫做桶形過濾器和直通過濾器。通常是直接連入機械設備的管路中,攔截流體中的雜質,保證機械設備正常運轉。
【產品名稱:籃式過濾器】
【產品型號:SRB、SRBX】
上海國特閥門型號說明:SRB籃式過濾器、SRBX籃式過濾器襯PO。適用于電站、石油、化工、化纖、輕工、水處理、市政工程等生產中生活用水、工業(yè)液體寄氣體,用以過濾其固體雜質。通常安裝在泵、壓縮機的入口或流量儀表、管道閥門、管道設備的管道前,使設備和管道免受堵塞和磨損。
【產品介紹】:
上海國特閥門SRB籃式過濾器的結構主要包括連接管道、桶體、濾籃、法蘭、法蘭蓋和緊固件等。也被叫做桶形過濾器和直通過濾器。通常是直接連入機械設備的管路中,攔截流體中的雜質,保證機械設備正常運轉。
【工作原理】:
SRB籃式過濾器是直接連入管道使用。在生產過程中,流體會隨著管道流經直通過濾器,液體先通過桶體而后進入濾籃,流體從濾籃的縫隙中流出,直至過濾器的出口被排出,流體中的固體雜質顆粒為濾籃所阻擋,與流體分離完成過濾。過濾器使用一段時間后,固體雜質在濾籃中堆積,這時只要旋開主管底部的螺塞,將直通過濾器內的液體排凈,拆卸法蘭,清洗濾籃后重新裝入,就能完成雜質的清理了。
【產品特點】:
1、過濾精度高,可根據客戶需求配置過濾網的精細度。
2、工作原理簡單、結構也不復雜,容易安裝、拆卸和維護。
3、設備易損件少,無耗材,運行維護費用低,操作管理簡單。
4、穩(wěn)定生產工藝流程,保護儀器儀表和機械設備,維護生產的安全和穩(wěn)定。
5、過濾器的核心部位是過濾器芯件,過濾芯由過濾器框和不銹鋼鋼絲網組成。
【零部件名稱】:
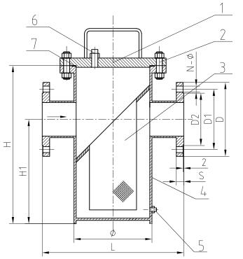
1 閥蓋 WCB/304/316/316L等 2 螺栓 碳鋼/不銹鋼等 3 過濾芯 304/316/316L等 4 閥體 WCB/304/316/316L等 5 排污堵頭 WCB/304/316/316L等 6 排氣堵頭 WCB/304/316/316L等 7 密封墊片 金屬纏繞墊/橡膠/聚四氟乙烯 【主要外形和連接尺寸】:

聯(lián)系人:張廠長
手 機:13858880658
郵 箱:
公 司:溫州精洲管件法蘭有限公司官方網站
地 址: